Beeldbank

Link naar homepagina Logo agentschap Onroerend Erfgoed
  • Hergebruik
  • Over ons
  • menu
  • Afbeeldingen
  • #BeeldIndeKijker
  • Hergebruik
  • Over ons
  • Aanmelden

Formaten: small  (240x157) | medium  (500x328) | large  (1024x672) | full  (8560x5623) | square  (150x150) |

Omschrijving

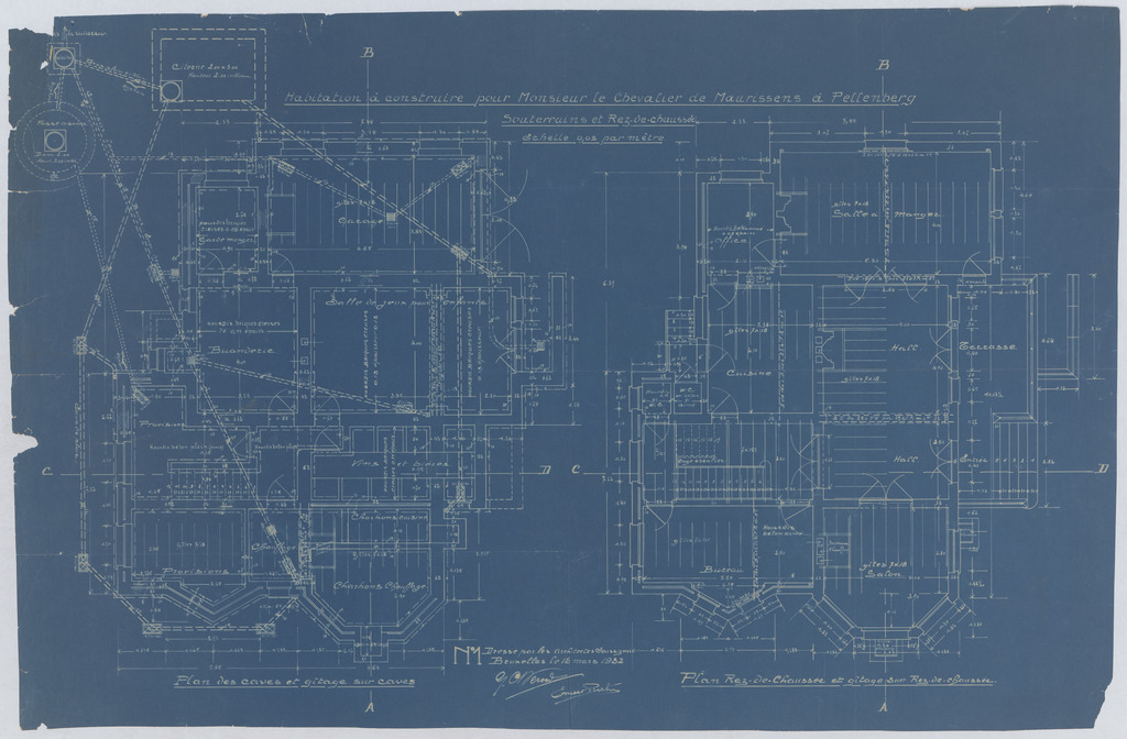
Opschrift: Habitation à construire pour Monsieur le Chevalier de Maurissens à Pellenberg. Souterrains et Rez-de-chausée. Omschrijving plan: plattegrond niveau 0, plattegrond niveau -1 Datum KCML: deze informatie wordt niet vermeld op het archiefstuk Archiefnummer: B0682

Technische specificaties

Drager: papier Techniek: blauwdruk Afmetingen (h x b in mm): 468 x 692 mm Schaal: 1/50


Gekoppeld in inventaris

  • https://id.erfgoed.net/erfgoedobjecten/303094

    Er ging iets mis bij het ophalen van het gekoppelde erfgoed met onderstaande uri(s):

Titel
Domein de Maurissens
Collectie
Koninklijke Commissie voor Monumenten en Landschappen (KCML)
Datum opmaak
15-03-1932
Datum digitalisering
30-06-2022
Ontwerper
Veraart, Chrétien Guillaume
Richir, Ernest
Adres
  • Provincie: Vlaams-Brabant
  • Gemeente: Lubbeek
  • Straat: Weligerveld
  • Nummer: 6
Referentie
id: 430557
https://id.erfgoed.net/afbeeldingen/430557

De afbeelding 'Domein de Maurissens' wordt ter beschikking gesteld onder de volgende voorwaarden: Public Domain Mark 1.0.

Beheerder beeld: Agentschap Onroerend Erfgoed

Contact

Heb je een vraag of opmerking over dit beeld? Meld het ons via het contactformulier.