Beeldbank

Link naar homepagina Logo agentschap Onroerend Erfgoed
  • Hergebruik
  • Over ons
  • menu
  • Afbeeldingen
  • #BeeldIndeKijker
  • Hergebruik
  • Over ons
  • Aanmelden

Formaten: small  (240x196) | medium  (500x410) | large  (1024x839) | full  (6309x5174) | square  (150x150) |

Omschrijving

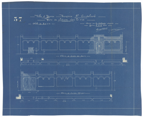
Opschrift: Ville d'Ypres. Hospice Ste. Godelieve. Murs de clôture vers la rue. Omschrijving plan: ontwerp ommuring Datum KCML: deze informatie wordt niet vermeld op het archiefstuk Archiefnummer: W0610

Technische specificaties

Drager: papier Techniek: blauwdruk Afmetingen (h x b in mm): 425 x 514 mm Schaal: 1/50


Gekoppeld in inventaris

  • https://id.erfgoed.net/erfgoedobjecten/30593

    Er ging iets mis bij het ophalen van het gekoppelde erfgoed met onderstaande uri(s):

Titel
Sint-Jansgodshuis
Collectie
Koninklijke Commissie voor Monumenten en Landschappen (KCML)
Datum opmaak
05-12-1923
Datum digitalisering
30-06-2022
Ontwerper
Veraart, Chrétien Guillaume
Richir, Ernest
Adres
  • Provincie: West-Vlaanderen
  • Gemeente: Ieper
  • Straat: Ieperleestraat
  • Nummer: 31
Referentie
id: 424782
https://id.erfgoed.net/afbeeldingen/424782

De afbeelding 'Sint-Jansgodshuis' wordt ter beschikking gesteld onder de volgende voorwaarden: Public Domain Mark 1.0.

Beheerder beeld: Agentschap Onroerend Erfgoed

Contact

Heb je een vraag of opmerking over dit beeld? Meld het ons via het contactformulier.