Beeldbank

Link naar homepagina Logo agentschap Onroerend Erfgoed
  • Hergebruik
  • Over ons
  • menu
  • Afbeeldingen
  • #BeeldIndeKijker
  • Hergebruik
  • Over ons
  • Aanmelden

Formaten: small  (240x153) | medium  (500x319) | large  (1024x653) | full  (8517x5436) | square  (150x150) |

Omschrijving

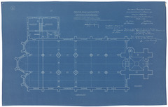
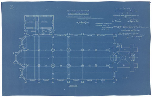
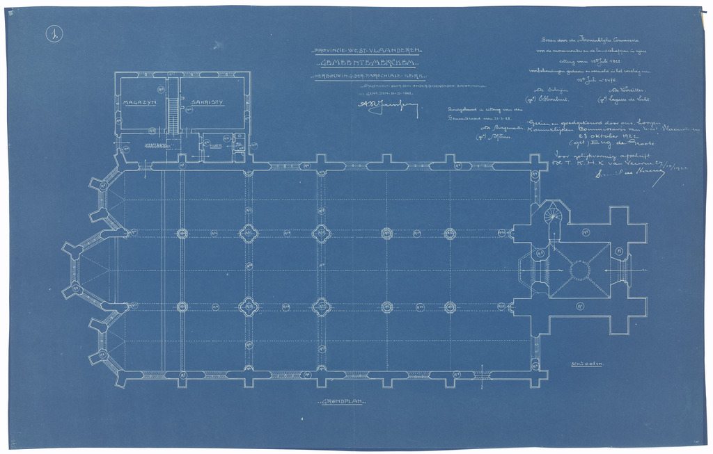
Opschrift: Provincie West-Vlaanderen. Gemeente Merckem. Herbouwing der parochiale kerk. Omschrijving plan: plattegrond niveau 0 Datum KCML: 15/07/1922 Archiefnummer: W0580

Technische specificaties

Drager: papier Techniek: blauwdruk Afmetingen (h x b in mm): 450 x 697 mm Schaal: 1/100


Gekoppeld in inventaris

  • https://id.erfgoed.net/erfgoedobjecten/79625

    Er ging iets mis bij het ophalen van het gekoppelde erfgoed met onderstaande uri(s):

Titel
Parochiekerk Sint-Bavo met kerkhof
Collectie
Koninklijke Commissie voor Monumenten en Landschappen (KCML)
Datum opmaak
21-02-1922
Datum digitalisering
30-06-2022
Ontwerper
Janssens, Amand Robert
Adres
  • Provincie: West-Vlaanderen
  • Gemeente: Houthulst
  • Straat: Westbroekstraat
  • Nummer: 3
Referentie
id: 424690
https://id.erfgoed.net/afbeeldingen/424690

De afbeelding 'Parochiekerk Sint-Bavo met kerkhof' wordt ter beschikking gesteld onder de volgende voorwaarden: Public Domain Mark 1.0.

Beheerder beeld: Agentschap Onroerend Erfgoed

Contact

Heb je een vraag of opmerking over dit beeld? Meld het ons via het contactformulier.